FAパッケージソフトウェア
Miranda
紹介動画
Mirandaは、製造ラインの制御データを収集するデータ収集ソフトウェアであり、製造ラインの生産性向上やトラブル解析に貢献する製品です。
製造現場の機器から収集したデータと映像データを連携し、映像と組合わせた「見える化」を実現しました。
これにより、チョコ停の原因解析や、データのリアルタイム監視による迅速なトラブル対応が可能となります。
これら生産・製造現場が抱える課題解決に貢献するMiranda(ミランダ)シリーズをご紹介いたします。
データ収集ソフトウェア Miranda のご紹介(YouTube)
公式YouTubeチャンネルでも動画をご覧いただけます。
概 要
ものづくりの課題解決は、製造プロセスの可視化から

データ収集
-
1
1台のPLCから簡単にデータ収集

-
2
複数台のPLCから各種ネットワーク経由でデータ収集
-
3
MELSEC iQ-Rを用いた超高速(1ms)データ収集
-
4
離れた場所からMirandaのデータを閲覧
-
5
オプション
現場の情報をメール・MELSEC・信号灯で通知
-
6
オプション
映像とデータの連携で現場の状況を確認
-
7
オプション
Mirandaで収集したデータをデータベースへ転送・記録
-
8
オプション
離れた工場の状況をクラウド経由で遠隔監視
-
9
AIオプション
作業者の映像から作業ミス・ムダを自動検出

データ活用
-
10
スタンドアロン
現場状況をプレイバック&シミュレーション
特 長
1台のPLCから簡単にデータ収集
機器の増設やプログラムの改造をしなくても、データの収集が可能です。MELSECの各種シリーズとの接続はもちろん、オムロン株式会社製SYSMACなど各社PLCとOPCサーバソフトを経由して接続が可能※です。
PLCに応じた接続方法
収集対象とするPLCに応じてMELSEC接続、OPC DA接続※、OPC UA接続※から選択できます。
簡単導入
PLCとパソコンをケーブルで接続するだけで簡単にデータ収集が可能です。
収集周期と点数
最短収集周期10ms、最大1,024点のデータ収集が可能です。

:別途OPCサーバが必要です。
複数台のPLCからネットワーク経由でデータ収集
制御・情報ネットワークにつながった複数台のPLCから、高速・大容量データを収集できます。
各種制御・情報ネットワークに対応しています。
各種ネットワークに対応
MELSECにおける主要ネットワークに対応。収集対象とするネットワークに応じて接続方式の切替えが可能です。
高速・大容量のデータ収集
最短5ms、最大32,768点のデータ収集が可能です。
複数台からのデータ収集
PLC複数台からのデータ収集が可能です。

:Miranda Proは基本ソフトウェアにパソコン、パソコン用インタフェースボードを含んだセット販売となります。
MELSEC iQ-Rを用いた超高速(1ms)データ収集
MELSEC iQ-Rシリーズのデータを最短1msで収集可能。
AI/DIユニットからの高速収集や、複数のCC-Link IEネットワークからの収集も可能です。
複数ネットワークに対応
複数のCC-Link IEネットワークからのデータ収集が可能です。
柔軟なシステム構成
通信経路やAI/DI点数に応じてユニットを選定。ゲートウェイMELSEC設置により、既設NET/H、NET10からの収集も可能です。
高速・高精度データ収集
MELSEC iQ-R C言語コントローラを使用して、最短1ms周期の高速収集が可能です。

:Miranda EXは三菱電機株式会社製シーケンサMELSEC iQ-RシリーズのCPUユニット、C言語コントローラユニットR12CCPU-V、およびエンジニアリングソフトウェアGX Works3、C言語コントローラユニット用設定・モニタツールCW Configuratorが必要です。
離れた場所からMirandaのデータを閲覧
現場のMirandaで収集したデータを、事務所などの離れた場所で確認可能。
現場からUSBメモリなどで持ち帰ったデータの確認も可能です。
オンラインで離れた場所でもリアルタイム閲覧
離れた事務所から、ネットワークを通じてリアルタイムに現場のデータを閲覧できます。
オフラインで離れた場所でもデータ確認
USBメモリなどで現場からデータを持ち帰り、離れた事務所で確認ができます。
複数工程のデータを検索・表示可能
現場の複数台のMirandaに蓄積されたデータを検索・表示できます。事務所のパソコン1台で、現場の複数工程のデータが確認できます。


オプション
現場の情報をメール・MELSEC・信号灯で通知
アラーム・イベントの発生や作業の分析結果など、現場の情報をメール・MELSEC・信号灯を使用してお知らせします。
離れた現場や事務所でも現場の異常にすぐに気づけ、トラブルへの迅速な対応が可能です。
アラーム発生時のメール送信
アラーム・イベント発生時にメール送信します。
メールのテンプレート設定や宛先のグループ設定など、きめ細やかな設定が可能です。
アラーム発生時のMELSEC出力
アラーム・イベントの発生をトリガーとしてMELSEC に信号を出力し、現場へ通知します。
MELSEC のプログラム改造無しで、異常検出と現場への通知を実現できます。
分析結果のMELSEC出力
AI 作業映像分析オプションによる手作業の分析結果を、MELSEC へ出力します。
これにより、作業結果の表示器への出力や、異常発生時の通知が可能です。
アラーム発生を信号灯で通知
アラームの発生を、信号灯の光と音で通知します。
PLC のプログラム改造無しで、現場に異常を通知できます。


オプション
映像とデータの連携で現場の状況を確認
カメラの映像とPLCのデータを連携して表示します。
トラブル発生時の映像をすばやく表示できます。
映像とデータを連携表示
カメラの映像とデータを同期して表示できます。
トラブル発生時の映像をすばやく表示し、トラブル発生に至る過程を映像とデータで確認できます。
用途・規模に応じた映像保存方式
ネカ録保存、パソコン保存、XProtect保存の映像保存方式をご用意。
据置き/持ち運び、大規模/小規模、国内/海外など、用途・規模に応じた切替えが可能です。
様々なメーカーのネットワークカメラに対応
三菱電機をはじめとする各社ネットワークカメラ(パナソニック株式会社製、キヤノン株式会社製など)との接続が可能です。
豊富な機種の中から、最適なネットワークカメラを選択できます。

1. 別途三菱電機デジタルイノベーション株式会社のネットワークカメラ用録画・配信サーバー「ネカ録」が必要です。
2. 別途Milestone Systems社製の監視カメラ管理ソフトウェア(VMS) 「XProtect」 が必要です。

オプション
Mirandaで収集したデータをデータベースへ転送・記録
Mirandaで収集したデータを市販データベースに登録可能。
過去に収集したデータの一括登録も可能です。
初めてでも安心の簡単設定
データベースのテーブルと収集データの紐づけだけで簡単にデータベース登録の設定ができます。テーブル作成を支援する機能もあり、データベース初心者でも簡単に利用できます。
各社FAシステムと連携可能
収集したデータを自動でデータベースに登録します。
各社FAシステムのデータベースへの格納も可能です。
アラーム・イベントも登録可能
Mirandaで検出したアラーム・イベントもデータベースへ登録できます。
収集したデータと合わせて格納することで、異常発生時のデータの確認など、データの活用の幅が広がります。

:別途SQL Server(市販品)が必要です。

オプション
離れた工場の状況をクラウド経由で遠隔監視
Mirandaで収集したデータを、自動でMicrosoft Azureに格納します。
格納したデータは、Miranda Clientで簡単に検索・表示できます。
離れた工場の設備監視やトラブル解析をスムーズに行えます。
離れた工場のトラブル解析によるダウンタイム短縮
遠隔地のトラブルをクラウドで即確認し、迅速に原因調査を開始してダウンタイムを短縮します。

各工場の運転状態監視
各工場の稼働状況や異常をリアルタイムで遠隔監視し、ライン立上やトラブル対応を迅速化できます。

重要なデータのBCP対策
クラウドでデータを安全に保管し、BCP対策を簡単かつ、効果的に実現します。
災害時にも業務の継続性を確保します。
許可されたPCのみのアクセスでセキュリティも確保します。


AIオプション
作業者の映像から作業ミス・ムダを自動検出
三菱電機株式会社のAI技術「骨紋®」を用いて作業者の映像を学習・分析することで、作業者の作業ミスやムダを自動検出します。
作業ミスの早期発見により、不良発生によるコストを大幅に削減できます。
作業ミス・ムダを自動検出
手作業工程の映像から抽出した骨格情報をAIで分析することで、作業ミスやムダを自動で検出します。
分析に必要な映像は、Miranda Video Option[パソコン保存]で保存します。
作業時間の自動計測
作業者の映像から、1サイクルに含まれる各作業を自動的に判断し、各作業の作業時間を自動計測します。
これにより、1サイクル内に潜むムダやムラを確認できます。
現場への異常通知が可能
Miranda Video Optionで保存した作業者の映像を自動で分析し、分析結果をMELSECに出力します。※1
検出した作業ミスやムダを、回転灯やアンドンを用いて現場へ通知できます。

:MELSECへの出力には、「Miranda Message Option」が必要です。

スタンドアロン
現場状況をプレイバック&シミュレーション
トラブル解析を効率化し、作業効率向上と円滑な運用を実現
Mirandaで収集した現場データを事務所のMELSECに定周期で書き込むことで、現場設備の動作状況を再現する「プレイバック機能」を提供します。この機能により、現場の動作状況確認による問題の発見や、MELSECプログラムのデバッグ効率化と品質向上を図ることができます。
また、保存した映像を現場の映像と比較することも可能です。
Miranda Liteで収集したデータを1台のMELSECへ連続的に書き込むことで、データをシミュレーションします。既設のMELSECプログラム改造時、現場の制御データを使ったデバックが可能です。これにより、MELSECプログラムの品質向上を実現します。
Miranda Proで高速収集したデータを複数台のMELSECへ高速で書き込むことで、データをシミュレーションします。現場の複数台のMELSECをシミュレーションした試験が可能です。これにより、現場での試運転時間の短縮やMELSECプログラムの品質向上を実現します。
所内試験
既設の上位システム改造時、事務所で現場の制御データを使用した試験が可能です。データ加工により異常ケースもシミュレーションできます。
さらに、既設画面の映像を記録・再生し、比較することで精度の高い検証が行えます。

MELSECプログラムの机上デバッグ
既設のMELSECプログラム改造時、事務所で現場の制御データを使ったデバッグが可能です。
これにより、試運転時間の短縮やMELSECプログラムの品質向上が実現します。

パララン※試験前の事前検証
旧システムの制御データを事務所のネットワークに流すことで、パララン運転時の入出力データをシミュレーションし、事務所での事前検証を実現します。事務所で品質向上させたMELSECプログラムをパララン運転環境に投入することで、不具合の大幅削減に寄与します。

:パラランは、既設システムの更新の際に新旧システムを並行稼働し、新旧システムから同じ出力が得られることを試験する試験方法です。
トラブルの原因解析調査、トレーニング
トラブル発生時の制御データをシミュレーションし、当時の映像を確認することで、事務所でのトラブル原因解析を支援します。さらに、ケーススタディとしてトレーニングに活用し、現場対応力を向上させ、迅速な対応を可能にします。
機 能
PLCから収集したデータをリアルタイムにトレンド表示


データのリアルタイム表示が可能。少し前のデータもさかのぼって確認できます。
PLCから収集した過去のデータを表示


日時指定やロット番号の指定、信号の値変化など、さまざまな条件での検索が可能。詳細確認から傾向確認まで、表示期間も自由自在に指定できます。
収集データを用いて異常を検出


収集したデータを監視して、しきい値を超えたらアラームとして表示。過去に発生したアラームの検索や、フィルタによる絞り込みも可能です。
正常時と異常時を比較

収集時刻が異なる複数のデータを1つのグラフに表示。正常時と不良発生、改善前と改善後のデータを重ねて確認できます。
発生頻度が高いアラームを表示

発生したアラームの件数を集計し、発生件数順にパレート図を表示。指定期間内の発生件数や比率を確認できます。
アラームの発生期間を表示

発生したアラームの件数を集計し、発生期間をグラフ表示。指定期間内の発生件数や発生時間を確認できます。
新旧システムのデータを一括で照合

パララン試験での新旧システムのデータを自動で照合。差異が発生したタイミングの新旧データを、トレンドグラフですぐに確認できます。
アラームの発生をメール・MELSEC・信号灯で通知

アラームの発生を、メール・MELSEC・信号灯を使用して通知。離れた現場や事務所でも、現場の異常にすぐに気づけます。
データとカメラの映像を同期して表示


収集データとカメラ映像を連携して表示可能。トラブル発生直前の現場の状況が確認できます。
収集したデータをデータベースへ自動格納


収集したデータを自動でデータベースへ転送・格納。データベースのテーブル作成スクリプトで、初心者の方も安心して運用できます。

作業者の映像から作業ミス・ムダを自動検出
作業者を撮影した映像から、作業時間の測定や作業ミス・ムダの⾃動検出が可能です。

利用シーン
試験・調整
設備動作状態の確認
制御パラメータの調整

リアルタイムトレンド
ライン立上げに伴う機器の調整時、設備を動作させながらリアルタイムにデータを確認できるため、立上げ・調整時間を短縮できます。

マルチカーソル
白と青の2本のカーソルで、カーソル間の時間差や値の差分を簡単に確認できます。設備の動作時間や値の変化を確認しながら制御パラメータを調整できます。

グラフ調整
マウスドラッグでのグラフの重ね合わせや、グラフ上でのスケール変更が可能です。はじめての人でも簡単にグラフの調整が可能です。

シミュレータ接続※1
GX Works3、GX Works2のシミュレータ機能やGX Simulatorと接続できます。机上でのプログラムデバッグにより、プログラム開発時間を短縮できます。

デバイスコメント・ラベルインポート※1
GX DeveloperやGX Works2、GX Works3のプロジェクトファイルから、デバイスコメントとラベルをインポートできます。データ収集に必要な設定が短時間でできるため、すぐにデータ収集を始めることができます。

接続先指定※1
MELSECとの接続設定には、GX DeveloperやGX Works2、GX Works3と同様の接続先設定画面を使用します。見慣れた画面で、迷わず簡単に設定できます。

1:Miranda LiteのMELSEC接続時、Miranda ProのEthernet接続時のみの機能です。
トラブル解析
チョコ停・だんまり停止の原因解析
トラブル発生時の原因切り分け
生産性の改善
稼働率改善
サイクルタイムの短縮
ムダ・ムラ・ムリ、モレの排除

カーソルジャンプ
目的の日時を指定して検索するだけで、カーソルを指定の日時にジャンプします。チョコ停発生時やトラブル発生時のデータをすぐに確認できます。

バックアップ
Mirandaで収集したデータを任意のフォルダに取り出し可能です。現場のMirandaからトラブル発生時のデータを持ち帰り、事務所のMirandaでデータを確認できます。アラームの発生日や発生時刻を目安に、日毎・時間毎の取出しも可能です。

アラーム・イベント[定数比較]
収集した値がしきい値を超えた場合にアラームとして表示します。PLCのプログラム変更無しで異常の検出が可能です。

アラーム・イベント[タイムアウト監視]
指定時間内にデータが変化しない場合にアラームとして表示します。PLCのプログラム変更無しでだんまり停止の検出が可能です。

サイクル毎のデータ保存
サイクルの開始/終了トリガを用いた、サイクル毎のデータ保存が可能です。設備の稼動データ分析やサイクルタイムの短縮確認に役立ちます。

トレンド分析
カイゼン前後のグラフを重ねて表示できるため、カイゼン前後の設備動作時間の比較やデータの比較に活用できます。

作業のバラつき確認※1
1サイクルの作業の内訳を棒グラフで表示します。棒グラフの長さから、作業のムラが簡単に確認できます。集計表示により、品種毎や作業者毎の作業のバラつきも確認できます。

1:Miranda AI作業映像分析オプションのみの機能です。
運転状態監視
データ・映像のリアルタイム監視
アラーム発生時のデータ確認
手作業工程の作業監視

グラフのロット番号表示
PLC内のロット番号などのASCII文字列をグラフに表示できます。加工中のワークのロット番号と合わせてデータを確認できます。

棒グラフ
収集したデータの値を棒グラフで表示します。定格値に対する値の割合が一目で確認できます。データの最大値/最小値の表示も可能です。

アラームのレベル設定
アラームは、重アラーム、軽アラーム、イベントの3種類のレベルを設定できます。レベル設定により、異常発生までの事象を時系列に確認できます。

アラームからのカーソルジャンプ
アラームをダブルクリックするだけで、発生時刻のデータをすぐに表示できます。トラブル発生後の調査時間を短縮できます。

MaiLabを活用したデータ分析※1
MaiLabとの連携により、Mirandaで収集したデータをAIで分析します。Mirandaで高速収集したデータや、各社PLCのデータを用いた予兆検知や寿命診断が可能です。

ガードバンドによる異常検出
正常なサイクルを元にガードバンドを作成し、逸脱した際にアラームとして表示します。異常の兆候をいち早く捉えることができます。

信号灯によるアラーム通知
アラームの発生を、信号灯の光と音で通知します。
PLCのプログラム変更無しで、現場に異常を通知できます。

マルチライブモニタ※2
最大16台のライブ映像を1画面に表示できます。アラームが発生した映像の映像表示や、PLCのデータによるカメラ切替も可能です。

品種毎の作業分析※3
品種ごとに作業内容が異なる場合、ワークの品種により学習データを自動で切り替えて分析します。
複数品種を扱う工程の作業でも、作業の自動分析が可能です。

1:MELSOFT MaiLabは、Aiおよび機械学習を活用してデータを分析・診断する三菱電機株式会社製のソフトウェアです。
2:Miranda Video Optionのみの機能です。
3:Miranda AI作業映像分析オプションのみの機能です。
トレーサビリティ
不良ロット発生時の製造実績
運転状態の長期間記録
他システムとの連携

ロット番号検索
ロット番号を指定した検索が可能です。不良ロットを生産した際のデータをすぐに確認できます。

値検索
蓄積したデータから、しきい値を超えたデータや最大値/最小値のデータを検索できます。サンプリング毎の膨大なデータから、目的のデータをくまなく検索できます。

グラフ連結
データの表示期間が短い場合、前の期間や次の期間のデータを連結して表示できます。データ確認時、前後の期間のデータを簡単に確認できます。

表示期間指定
指定した期間のデータを1画面に表示します。数時間〜数日間にわたる値の変化を確認できます。

パソコン画面の映像記録・再生※1※2
パソコンの画面を映像として記録・再生できます。トラブル発生直前の監視画面や検査画面の再現により、トラブル発生に至る様子を確認できます。

データベース登録※3
収集したデータは市販のデータベースに自動登録できます。トレーサビリティシステムとの連携や、クラウドへのデータ格納、AIでの分析に活用できます。

1:Video Optipnのみの機能です。
2:パソコン保存の場合、別途画像配信用の機材が必要です。
3:DB Optionのみの機能です。
動作環境
動作環境
| 項 目 | スペック |
|---|---|
| パソコン本体 | CPU: CoreTM i5以上推奨、メモリ: 8GB以上推奨 |
| ストレージ空き容量 | 20GB以上推奨 |
| 基本ソフトウェア※1 ※2 ※3 ※4 |
Windows®10 Professional(日本語版/英語版) Windows®10 IoT Enterprise(日本語版/英語版) Windows®11 Professional(日本語版/英語版) Windows®11 IoT Enterprise(日本語版/英語版) |
| ディスプレイ | 解像度1366×768ドット以上(1920×1080ドット以上推奨) |
| 必要な市販ソフトウェア※5 |
シーケンサエンジニアリングソフトウェア(日本語版)※6 (三菱電機株式会社製 GX Works3 Version 1.022Y以上) OPC DAサーバ(OPC DA2.0以上)※7 OPC UAサーバ※8 |
1:下記に示す機能は、使用できません。下記に示す機能を使用した場合、本製品は正常に動作しない可能性があります。
・Windows®互換モードでのアプリケーション起動 ・ユーザ簡易替え ・リモートデスクトップ
・大きいフォント(画面プロパティの詳細設定) ・Windows®の休止およびスタンバイ
2:次に該当する場合、本製品は正常に動作しない可能性があります。
・仮想OSの場合 ・ログオンユーザがGuest権限の場合
3:64ビット版にのみ対応しています。
4:インストールするパソコンの.NET Framework3.5(.NET2.0および3.0を含む)が無効化されている場合、有効化する必要があります。
5:お客様にて準備いただくソフトウェアです。パッケージには含まれません。
6:接続方式がMELSEC接続であり、USB/Ethernet/シリアル以外の接続経路でiQ-Rと接続する場合のみ必要です。
7:接続方式がOPC DA接続の場合のみ必要です。
8:接続方式がOPC UA接続の場合のみ必要です。以下に示すOPC UAサーバに対応しています。
・Edgecross基本ソフトウェア バージョン1.20以上
・株式会社たけびし製デバイスエクスプローラーOPCサーバー
・三菱電機株式会社製OPC UAサーバーユニットRD81OPC96
MELSEC接続 対応CPU
| シリーズ名 | CPUユニット型名 |
|---|---|
| iQ-Rシリーズ | R00※1、R01※1、R02※1、R04、R04EN、R08、R08EN、R08P※2、R16、R16EN、R16P※2、R32、R32EN、R32P※2、R120、R120EN、R120P※2 |
| iQ-Fシリーズ | FX5U※1、FX5UC※1、FX5UJ※1、FX5S※1 |
| Qシリーズ(Qモード) | Q02(H)、Q06H、Q12H、Q25H、Q00J、Q00、Q01、Q02PH、Q06PH、Q12PH、Q25PH、Q12PRH、Q25PRH、Q00U、Q00UJ、Q01U、Q02U、Q03UD、Q04UDH、Q06UDH、Q10UDH、Q13UDH、Q20UDH、Q26UDH、Q03UDE、Q04UDEH、Q06UDEH、Q10UDEH、Q13UDEH、Q20UDEH、Q26UDEH、Q50UDEH、Q100UDEH、Q03UDV、Q04UDV、Q06UDV、Q13UDV、Q26UDV、Q04UDPV、Q06UDPV、Q13UDPV、Q26UDPV |
| Qシリーズ(Aモード) | Q02-A、Q02H-A、Q06H-A |
| QnAシリーズ | Q2A(-S1)、Q2AS(-S1)、Q3A、Q4A、Q2ASH(-S1)、Q4AR |
| Aシリーズ | A0J2H、A1S、A1SH、A1SJ、A1SJH、A1N、A2C、A2CJ、A2N(-S1)、A2S、A2SH、A3N、A2A(-S1)、A3A、A1FX、A2U(-S1)、A3U、A4U、A2US(-S1)、A2USH-S1 |
| FXシリーズ | FX0(S)、FX0N、FX1、FX1S、FX1N(C)、FX2(C)、FX2N(C)、FX3G、FX3U(C) |
| Lシリーズ | L02CPU、L02CPU-P、L02SCPU、L02SCPU-P、L06CPU、L06CPU-P、L26CPU、L26CPU-P、L26CPU-BT、L26CPU-PBT |
1:ラベルを使用したデータ収集には対応していません。
2:動作モードが二重化の場合のデータ収集には対応していません。
性能仕様
| 分 類 | 項 目 | スペック | ||||||||||||||||||||||||||||||||
|---|---|---|---|---|---|---|---|---|---|---|---|---|---|---|---|---|---|---|---|---|---|---|---|---|---|---|---|---|---|---|---|---|---|---|
| 収 集 | 収集周期 | 10~60000msec | ||||||||||||||||||||||||||||||||
| 収集グループ数 | 最大64グループ/システム | |||||||||||||||||||||||||||||||||
| 収集信号点数 | 最大1024点/1グループ | |||||||||||||||||||||||||||||||||
| 最大1024点/1システム | ||||||||||||||||||||||||||||||||||
| 接続先PLC台数 | MELSEC 最大1台(MELSEC接続時※1) | |||||||||||||||||||||||||||||||||
| 各社PLC 複数台(OPC DA/OPC UA接続時※1) | ||||||||||||||||||||||||||||||||||
|
||||||||||||||||||||||||||||||||||
| 表 示 | 表示ウィンドウ数 | トレンドグラフ | 最大8ウィンドウ | |||||||||||||||||||||||||||||||
| ガントチャート | 最大2ウィンドウ | |||||||||||||||||||||||||||||||||
| パレート図 | (ガントチャート、パレート図の表示ウィンドウ数の合計) | |||||||||||||||||||||||||||||||||
| アラーム・イベント | 最大4ウィンドウ | |||||||||||||||||||||||||||||||||
| トレンドウィンドウ中に 描けるグラフ本数 |
トレンドグラフ | 最大32本/1ウィンドウ | ||||||||||||||||||||||||||||||||
| 棒グラフ | 最大32本/1ウィンドウ | |||||||||||||||||||||||||||||||||
| 通 知 | 接続先信号灯台数 | 最大1台 | ||||||||||||||||||||||||||||||||
1:MELSEC接続/OPC DA接続/OPC UA接続は、Miranda Liteのインストール時に選択します。
参考データ
蓄積に必要なディスク容量(目安)
収集データの蓄積に必要なディスク容量の目安を以下に示します。 ハードディスクの選定、および収集データの保存期間の参考にしてください。
(1)ワード型512点を下表の収集周期で収集した場合
| 収集周期(msec) | 1日分の容量(MB) | |
|---|---|---|
| 圧縮 | 非圧縮 | |
| 5 | 4,738 | 23,691 |
| 10 | 2,369 | 11,845 |
| 50 | 474 | 2,369 |
| 100 | 237 | 1,185 |
| 500 | 47 | 237 |
| 1000 | 24 | 118 |
圧縮:Windows®の圧縮フォルダに格納した場合のサイズ
(2)収集データ ディスク容量計算
収集点数、収集周期、保存日数を入力頂くことで、必要なディスク容量を表示します。
データ収集性能(MELSEC接続の場合)
収集点数に対する収集時間(デバイスデータ読出し時間)の測定結果を下表に示します。収集周期と収集点数、および通信形態を決める際の参考にしてください。
(1)測定結果
| 接続形態収集点数 | ||||||||
|---|---|---|---|---|---|---|---|---|
| USB | Ethernet (TCP/IP) |
内蔵Ethernet ポート(IP指定) |
NET/H (25Mbps) |
CC-Link IE | RS-232C (19.2kbps) |
RS-232C (57.6kbps) |
RS-232C (115.2kbps) |
|
| 16 | - | 43.0 | - | - | - | 316.6 | - | - |
| 32 | - | 64.2 | - | - | - | 470.0 | - | - |
| 64 | - | 108.4 | - | - | - | 783.6 | - | - |
| 128 | - | 175.2 | - | - | - | 1380.2 | - | - |
| 256 | - | 312.0 | - | - | - | 2760.0 | - | - |
| 512 | - | 600.2 | - | - | - | 5587.0 | - | - |
| 接続形態収集点数 | ||||||||
|---|---|---|---|---|---|---|---|---|
| USB | Ethernet (TCP/IP) |
内蔵Ethernet ポート(IP指定) |
NET/H (25Mbps) |
CC-Link IE | RS-232C (19.2kbps) |
RS-232C (57.6kbps) |
RS-232C (115.2kbps) |
|
| 16 | - | - | - | - | - | 160.2 | - | - |
| 32 | - | - | - | - | - | 275.2 | - | - |
| 64 | - | - | - | - | - | 499.8 | - | - |
| 128 | - | - | - | - | - | 1000 | - | - |
| 256 | - | - | - | - | - | 1945.2 | - | - |
| 512 | - | - | - | - | - | 3896 | - | - |
| 接続形態収集点数 | ||||||||
|---|---|---|---|---|---|---|---|---|
| USB | Ethernet (TCP/IP) |
内蔵Ethernet ポート(IP指定) |
NET/H (25Mbps) |
CC-Link IE | RS-232C (19.2kbps) |
RS-232C (57.6kbps) |
RS-232C (115.2kbps) |
|
| 16 | 23.8 | 19.8 | - | 23.8 | 17.0 | 179.8 | 70.4 | 41.4 |
| 32 | 33.0 | 22.4 | - | 29.6 | 20.2 | 294.6 | 109.0 | 60.2 |
| 64 | 48.0 | 24.5 | - | 30.4 | 21.0 | 517.8 | 186.4 | 101.2 |
| 128 | 94.0 | 51.0 | - | 59.4 | 43.0 | 1031.0 | 368.0 | 201.2 |
| 256 | 179.6 | 79.8 | - | 95.8 | 67.0 | 1990.8 | 703.8 | 379.8 |
| 512 | 368.8 | 169.4 | - | 183.8 | 140.2 | 3981.4 | 1407.8 | 758.2 |
| 接続形態収集点数 | ||||||||
|---|---|---|---|---|---|---|---|---|
| USB | Ethernet (TCP/IP) |
内蔵Ethernet ポート(IP指定) |
NET/H (25Mbps) |
CC-Link IE | RS-232C (19.2kbps) |
RS-232C (57.6kbps) |
RS-232C (115.2kbps) |
|
| 16 | 6.0 | 10.2 | 5.2 | 12.6 | 7.0 | 170.0 | 58.6 | 31.6 |
| 32 | 7.6 | 11.2 | 5.2 | 17.4 | 7.2 | 280.8 | 96.8 | 51.6 |
| 64 | 10.2 | 13.8 | 7.8 | 18.4 | 9.8 | 502.6 | 173.4 | 89.6 |
| 128 | 19.0 | 25.4 | 14.8 | 36.4 | 18.8 | 1004.0 | 342.0 | 175.8 |
| 256 | 33.4 | 44.0 | 24.8 | 60.2 | 33.0 | 1946.2 | 662.2 | 340.6 |
| 512 | 64.6 | 87.4 | 50.8 | 123.0 | 65.4 | 3891.6 | 1325.2 | 680.2 |
| 接続形態収集点数 | ||||||||
|---|---|---|---|---|---|---|---|---|
| USB | Ethernet (TCP/IP) |
内蔵Ethernet ポート(IP指定) |
NET/H (25Mbps) |
CC-Link IE | RS-232C (19.2kbps) |
RS-232C (57.6kbps) |
RS-232C (115.2kbps) |
|
| 16 | 31.2 | 30.2 | - | - | - | 96.2 | 35.2 | 18.6 |
| 32 | 45.8 | 42.2 | - | - | - | 179.0 | 64.0 | 32.8 |
| 64 | 74.0 | 67.6 | - | - | - | 347.4 | 119.4 | 61.6 |
| 128 | 147.8 | 132.2 | - | - | - | 1385.0 | 474.0 | 251.0 |
| 256 | 292.8 | 261.8 | - | - | - | 1385.0 | 474.0 | 251.0 |
| 512 | 569.2 | 519.8 | - | - | - | 2751.6 | 943.6 | 492.2 |
(2)測定条件
| シーケンサCPU | CPUユニット 型名 |
MELSEC-Aシリーズ | A4U |
|---|---|---|---|
| MELSEC-QnAシリーズ | QA4R | ||
| MELSEC-Qシリーズ (ハイパフォーマンスモデルQCPU) |
Q06H | ||
| MELSEC-Qシリーズ (ユニバーサルモデルQCPU) |
Q06UDH Q06UDEH (内蔵Ethernetポートを用いた測定にのみ使用) |
||
| MELSEC FXシリーズ | FX3U(C) | ||
| CPUの状態 | RUN状態 | ||
| シーケンススキャンタイム | 5ms | ||
| 収集対象デバイス | D0~収集点数分 | ||
| パソコン | 機種 | DELL Precision 360 | |
| CPU | Pentium® 4 CPU 2.8GHz | ||
| メモリ | 1GB | ||
| 基本ソフトウェア | Windows® XP Professional SP3 | ||
| パソコン用インタフェースボード | MELSECNET/H インタフェースボード |
||
| CC-Link IE コントローラネットワーク インタフェースボード | |||
製品構成
| 項 目 | スペック |
|---|---|
| パソコン本体 | 弊社指定機種 (CPU: CoreTM i7以上、メモリ: 8GB、ストレージ: 512GB、形態: デスクトップパソコン) |
| 基本ソフトウェア※1 |
Windows®10 Professional(日本語版/英語版) Windows®10 IoT Enterprise(日本語版/英語版) Windows®11 Professional(日本語版/英語版) Windows®11 IoT Enterprise(日本語版/英語版) |
| ディスプレイ | 解像度1920×1080ドット以上(24インチ) |
| パソコン用インタフェースボード※1 |
CC-Link IE Controlボード(三菱電機株式会社製Q81BD-J71GP21-SX/Q81BD-J71GP21S-SX) CC-Link IE Fieldボード(三菱電機株式会社製 Q81BD-J71GF11-T2/Q80BD-J71GF11-T2) MELSECNET/Hボード(三菱電機株式会社製 Q81BD-J71LP21-25) FL-netボード(センチュリー・システムズ株式会社製 FL-PCI/V2-100L) |
| 市販ソフトウェア | POLARIS OFFICE社製オフィスソフト Polaris Office(日本語版)※2 |
1:基本ソフトウェア、パソコン用インタフェースボードは、いずれかのバージョンを選択いただけます。 基本ソフトウェアは64ビット版にのみ対応しています。
2:Microsoft® Office製品と互換性のあるソフトウェアです。
性能仕様
| 分 類 | 項 目 | スペック | |
|---|---|---|---|
| 収 集 | 収集周期 | 5~60000msec | |
| 収集グループ数 | 最大64グループ/システム | ||
| 収集信号点数 | 最大1024点/1グループ | ||
| 最大32768点/1システム | |||
| 接続先PLC台数 | MELSEC複数台(CC-Link IE Control, Field接続時※1) (MELSECNET/H, NET/10接続時※1) |
||
| MELSEC最大8台(Ethernet接続時※1※2) | |||
| 各社PLC複数台(FL-net接続時※1) | |||
| 接続ネットワーク数 | 最大1ネットワーク | ||
| 表 示 | 表示ウィンドウ数 | トレンドグラフ | 最大8ウィンドウ |
| ガントチャート | 最大2ウィンドウ (ガントチャート、パレート図の表示ウィンドウ数の合計) |
||
| パレート図 | |||
| アラーム・イベント | 最大4ウィンドウ | ||
| トレンドウィンドウ中に 描けるグラフ本数 |
トレンドグラフ | 最大32本/1ウィンドウ | |
| 棒グラフ | 最大32本/1ウィンドウ | ||
| 通 知 | 接続先信号灯台数 | 最大1台 | |
1:CC-Link IE Control接続/Ethernet接続等の接続方式は、Miranda Proのインストール時に選択します。
2:Ethernet接続の対応CPUについては、Miranda Liteの「MELSEC接続 対応CPU」を参照してください。
動作環境
| 項 目 | スペック |
|---|---|
| パソコン本体 | CPU: CoreTM i7以上推奨、メモリ: 8GB以上推奨 |
| ストレージ空き容量 | 500GB以上推奨 |
| 基本ソフトウェア※1 ※2 |
Windows®10 Professional(日本語版/英語版) Windows®10 IoT Enterprise(日本語版/英語版) Windows®11 Professional(日本語版/英語版) Windows®11 IoT Enterprise(日本語版/英語版) |
| ディスプレイ | 解像度1920×1080ドット以上 |
| 必要なMELSECユニット※3 | シーケンサCPUユニット(三菱電機株式会社製 iQ-Rシリーズ) C言語コントローラユニット(三菱電機株式会社製 R12CCPU-V) |
| 必要な市販ソフトウェア※4 |
シーケンサエンジニアリングソフトウェア(日本語版) (三菱電機株式会社製 GX Works3) C言語コントローラユニット用設定・モニタツール(日本語版) (三菱電機株式会社製 CW Configurator) |
1:下記に示す機能は、使用できません。下記に示す機能を使用した場合、本製品は正常に動作しない可能性があります。
・Windows®互換モードでのアプリケーション起動 ・ユーザ簡易替え ・リモートデスクトップ
・大きいフォント(画面プロパティの詳細設定) ・Windows®の休止およびスタンバイ
2:次に該当する場合、本製品は正常に動作しない可能性があります。
・仮想OSの場合 ・ログオンユーザがGuest権限の場合
3:お客様にて準備いただくMELSECソフトウェアです。パッケージには含まれません。
収集対象のデータの種類(アナログ入力、ディジタル入力)や、収集対象のネットワークに対応したMELSECユニットが別途必要です。
4:お客様にて準備いただくMELSECソフトウェアです。パッケージには含まれません。
対応MELSECユニット
| 分 類 | ユニット名称/形名 |
|---|---|
| CPUユニット | シーケンサCPUユニット(三菱電機株式会社製 R04CPU、R08CPU、R16CPU、R32CPU、R120CPU) |
| 入出力ユニット | DC高速入力ユニット(三菱電機株式会社製 RX41C6HS) |
| アナログユニット | 高速アナログ-ディジタル変換ユニット(三菱電機株式会社製 R60ADH4) |
| 情報/ネットワークユニット | CC-Link IEコントローラネットワークユニット(三菱電機株式会社製 RJ71GP21-SX、RJ71GP21S-SX) |
| CC-Link IEフィールドネットワークマスタ・ローカルユニット(三菱電機株式会社製 RJ71GF11-T2) |
性能仕様
| 分 類 | 項 目 | スペック | |
|---|---|---|---|
| 収 集 | 収集周期 | 1~60000msec | |
| 収集グループ数 | 最大64グループ/システム | ||
| 収集信号点数 | 最大1024点/1グループ | ||
| 最大32768点/1システム | |||
| 接続先PLC台数 | MELSEC最大1台※1 | ||
| MELSEC複数台(CC-Link IE Control, Field使用時) | |||
| 接続ネットワーク数 | 最大4ネットワーク | ||
| 表 示 | 表示ウィンドウ数 | トレンドグラフ | 最大8ウィンドウ |
| ガントチャート | 最大2ウィンドウ (ガントチャート、パレート図の表示ウィンドウ数の合計) |
||
| パレート図 | |||
| アラーム・イベント | 最大4ウィンドウ | ||
| トレンドウィンドウ中に 描けるグラフ本数 |
トレンドグラフ | 最大32本/1ウィンドウ | |
| 棒グラフ | 最大32本/1ウィンドウ | ||
| 通 知 | 接続先信号灯台数 | 最大1台 | |
1:Miranda EXに含まれるMELSEC1台を指します。
動作環境
| 項 目 | スペック |
|---|---|
| パソコン本体 | CPU: CoreTM i5以上推奨、メモリ: 8GB以上推奨 |
| ストレージ空き容量 | 20GB 以上推奨 |
| 基本ソフトウェア※1 ※2 ※3 ※4 |
Windows®10 Professional(日本語版/英語版) Windows®10 IoT Enterprise(日本語版/英語版) Windows®11 Professional(日本語版/英語版) Windows®11 IoT Enterprise(日本語版/英語版) |
| ディスプレイ | 解像度1366×768ドット以上(1920×1080ドット以上推奨) |
1:下記に示す機能は、使用できません。下記に示す機能を使用した場合、本製品は正常に動作しない可能性があります。
・Windows®互換モードでのアプリケーション起動 ・ユーザ簡易替え ・リモートデスクトップ
・大きいフォント(画面プロパティの詳細設定) ・Windows®の休止およびスタンバイ
2:次に該当する場合、本製品は正常に動作しない可能性があります。
・仮想OSの場合 ・ログオンユーザがGuest権限の場合
3:64ビット版にのみ対応しています。
4:インストールするパソコンの.NET Framework3.5(.NET2.0および3.0を含む)が無効化されている場合、有効化する必要があります。
接続可能なMiranda製品
○:接続可 ×:接続不可
| 製品名 | 対応Ver | 接続可否 |
|---|---|---|
| Miranda Lite | 1.0以上 | ○ |
| Miranda Pro | 1.0以上 | ○ |
| Miranda Ex | 1.0以上 | ○ |
| Miranda-Lt | 2.9.0.365 | ○ |
| Miranda-LT OPC版 | 2.9.0.366 | ○ |
| Miranda-HR | 2.9.1.378 | ○ |
| Miranda-XR | 1.0.0.364 | ○ |
○:接続可 ×:接続不可
| 製品名 | 対応Ver | 接続可否 |
|---|---|---|
| Miranda-VR ネカ録保存 LT版 | 1.8.0.370 | ○ |
| Miranda-VR ネカ録保存 OPC版 | 1.8.0.371 | ○ |
| Miranda-VR ネカ録保存 HR版 | 1.8.0.373 | ○ |
| Miranda-VR ネカ録保存 XR版 | 1.0.0.364 | ○ |
| Miranda-VR パソコン保存 LT版 | 1.5.0.374 | ○ |
| Miranda-VR パソコン保存 OPC版 | 1.5.0.375 | ○ |
| Miranda-LV | - | × |
性能仕様
| 分 類 | 項 目 | スペック | |
|---|---|---|---|
| 表 示 | 表示ウィンドウ数 | トレンドグラフ | 最大8ウィンドウ |
| ガントチャート | 最大2ウィンドウ (ガントチャート、パレート図の表示ウィンドウ数の合計) |
||
| パレート図 | |||
| アラーム・イベント | 最大4ウィンドウ | ||
| トレンドウィンドウ中に 描けるグラフ本数 |
トレンドグラフ | 最大32本/1ウィンドウ | |
| 棒グラフ | 最大32本/1ウィンドウ | ||
| 接続先Miranda台数 | 表示ウィンドウ数と同一 (1ウィンドウ毎に接続先のMirandaを指定) |
||

オプション
動作環境
Miranda Message Option 用に追加で必要な条件はありません。
使用するMiranda Lite/Pro/EX の動作環境を参照してください。
性能仕様
| 分 類 | 項 目 | スペック | |
|---|---|---|---|
| 通 知 | MELSEC出力 | 出力先のMELSEC台数 | 最大1台※1 |
| 接続可能MELSEC | iQ-R、iQ-F、Q、FX、Lシリーズ | ||
| MELSEC接続方法 | USB、シリアル、Ethernet | ||
| メール送信 | 送信メール登録 | 最大64件 | |
| 送信先メールアドレス登録 | 最大64件 | ||
| 対応プロトコル | SMTP、SMTP over SSL/TLS、STARTTLS、自動 | ||
| 信号灯 | 出力先の信号灯台数 | 最大1台 | |
| 信号灯接続方法 | Ethernet | ||
| 対応機種 | 株式会社パトライト製NHシリーズ | ||
1:Miranda Pro[Ethernet接続]を使用し、収集先のMELSECへ出力する場合、最大8台。

オプション
動作環境
| 項 目 | スペック | ||
|---|---|---|---|
| ネカ録保存 | パソコン保存 | XProtect保存 | |
| ストレージ空き容量 | 100GB以上推奨 | 120GB以上推奨※1 | |
| ディスプレイ | 解像度1920×1080ドット以上(23インチ) | ||
| HUB | PoE対応HUB(1000Mbps対応機種推奨) | ||
| 映像レコーダ | ネカ録※2 2.0、4.0、5 | — | XProtect※4 |
| カメラ | ネカ録※2がサポートするカメラ | カメラ、USBカメラ※3 | XProtect※4がサポートするカメラ |
1:120GBでカメラ1台、SXVGA、H.264、ビットレート1536kbps、5fps、7日間の映像を記録できます。
詳細はこちらのページの「映像データディスク容量計算表」をダウンロードして算出いただけます。
2:ネカ録は、三菱電機デジタルイノベーション株式会社製 録画・配信サーバーの製品名です。
ネカ録のハードディスク容量、およびサポートするカメラについては、「三菱電機デジタルイノベーション株式会社の製品ホームページ」をご確認ください。
3:対応カメラは次の通りです。
三菱電機株式会社製 MELOOK3シリーズ(NC-7020)、MELOOK DGⅡシリーズ(NC-6000、6100、6700)
アクシスコミュニケーションズ株式会社製 Mシリーズ、Pシリーズ(ONVIF対応カメラ)
キヤノン株式会社製(ONVIF対応カメラ)
パナソニック株式会社製 BBシリーズ(ONVIF対応カメラ)
ソニー株式会社製(ONVIF対応カメラ)
株式会社アルゴ製 ディスプレイ信号ストリーミングユニット(VGADVIBroadcaster)USBカメラ(UVC1.1対応カメラ)
USBカメラ(UVC1.1対応カメラ)
4:XProtectは、Milestone Systems 社製の監視カメラ管理ソフトウェア(VMS) の製品名です。
XProtectのエディション、およびサポートするカメラについては、「Milestone Systems社の製品ホームページ」をご確認ください。
性能仕様
| 分 類 | 項 目 | スペック | |||
|---|---|---|---|---|---|
| ネカ録保存 | パソコン保存 | XProtect保存 | |||
| 表 示 | 表示ウィンドウ数 | マルチライブモニタ | 最大1ウィンドウ | ||
| マルチライブモニタに表示する監視ページ数 | 最大4ページ/1ウィンドウ | ||||
| 映 像 | フレームレート | 1~30fps | |||
| 画像解像度 |
1920×1080, 1280×720, 1280×960, 640×480 |
1920×1200, 1280×800, 1920×1080, 1280×720, 1280×960, 640×480 |
ネットワークカメラが サポートする解像度 |
||
| 画像圧縮方式 | H.264、JPEG (モーションJPEG)※1 |
H.264※2、JPEG (モーションJPEG※3) |
H.264、JPEG (モーションJPEG) |
||
| パン・チルト・ズーム対応 | 対応 | 非対応 | 非対応 | ||
| ネットワークカメラ接続台数 | 最大16台/1グループ | 最大4台/1グループ | 最大16台/1グループ | ||
| 最大64台/システム | 最大4台/システム | 最大64台/システム | |||
| 映像レコーダ1台あたりの ネットワークカメラ台数 |
最大64台 | - | 最大64台 | ||
| 映像レコーダ接続台数 | 最大32台 | - | 最大4台 | ||
| トレンドウィンドウ内に表示する ネットワークカメラ台数 |
最大4台/1ウィンドウ | ||||
| マルチライブモニタに表示する ネットワークカメラ台数 |
最大16台/1ページ | 最大4台/1ページ | 最大16台/1ページ | ||
| 最大64台/1システム | 最大4台/1システム | 最大64台/1システム | |||
1:画像圧縮方式でJPEGを指定する場合、1920×1080(FHD)は指定できません。
2:USBカメラまたはソニー製カメラを使用する場合、H.264は指定できません。
3:アルゴ製ディスプレイ信号ストリーミングユニットを使用する場合、JPEGは指定できません。
Miranda Video Option追加に伴うスペック変更
| 分 類 | 項 目 | Option追加前 | Option追加後 | |||
|---|---|---|---|---|---|---|
| ネカ録保存 | パソコン保存 | XProtect保存 | ||||
| 収 集 | 収集周期 | 最大60000msec | 最大60000msec | 最大1000msec | 最大60000msec | |
| 蓄積データ切替え | 最大10000サンプリング | 最大10000サンプリング | 最大2000サンプリング | 最大10000サンプリング | ||
| 表 示 | 表示ウィンドウ数 | トレンドグラフ | 最大8ウィンドウ | 最大4ウィンドウ | ||

オプション
動作環境
| 項 目 | スペック |
|---|---|
| ストレージ空き容量 | 20GB以上推奨※1 |
| 必要な市販ソフトウェア※2 |
SQL Server 2016 Standard(日本語版/英語版) SQL Server 2017 Standard(日本語版/英語版) SQL Server 2019 Standard(日本語版/英語版) SQL Server 2022 Standard(日本語版/英語版) |
1:Miranda DB Optionの動作に必要な空き容量です。SQL Serverが必要とするハードディスク空き容量については、データ収集要件に応じて別途計算して頂く必要があります。
2:お客様にて準備いただくソフトウェアです。パッケージには含まれません。
性能仕様
| 分 類 | 項 目 | スペック | |
|---|---|---|---|
| DB登録 | 収集データ | 1テーブルに登録可能な信号点数 | 最大128点/テーブル |
| 登録可能なテーブル数 |
最大32件/収集先※1 最大62件/システム※1 |
||
| 登録可能な信号点数 |
Lite : 最大1024点 Pro : 最大4096点(128点×32テーブル) EX : 最大4096点(128点×32テーブル) |
||
| アラーム・イベントデータ | 登録可能なテーブル数 |
最大1件/収集先※1 最大8件/システム※1 |
|
| 保存日数 | 最大999日 | ||
1:1プロジェクト内のグループ数とテーブル数(DB登録定義の数)の合計は最大64件です。

オプション
動作環境
Miranda Cloud Option
| 項目 | スペック |
|---|---|
| 基本ソフトウェア | Windows®11 Professional 64bit(日本語版/英語版) |
| 必要な市販ソフトウェア | Miranda Lite、Miranda Pro、Miranda EX Version 1.5以上 |
Miranda Cloud Service
| 項目 | スペック |
|---|---|
| 対応するクラウドサービス | Microsoft Azure※1 |
| .NET環境 | .NET Framework 4.8.1 |
1:下記の機能により、Azureのセキュリティ向上に繋がります。
・Miranda Cloud OptionはAzureの機能により、許可されたPCのみアクセスでき不正リスクを軽減します。
性能仕様
| 項目 | スペック |
|---|---|
| 登録可能なMiranda | 最大150台 |
| 対応機能 | リアルタイムトレンド、ヒストリカルトレンド、アラーム・イベント、パレート図、ガントチャート、トレンド分析グラフ |
| 未対応機能 | トレンド照合、映像表示、マルチライブモニタ、トレンドグラフ表示設定、Miranda Video Option、 Miranda AI作業映像分析オプション |

AIオプション
動作環境
| 項 目 | スペック |
|---|---|
| パソコン本体 | CPU: Core™i9以上推奨、CPU内蔵GPU搭載※1、メモリ: 8GB以上推奨 |
| ストレージ空き容量 | SSD256GB以上推奨※2 |
| 必要な市販ソフトウェア※3 |
Miranda Video Option [パソコン保存] Miranda Message Option※4 シーケンサエンジニアリングソフトウェア(日本語版)※5 (三菱電機株式会社製 GX Works3 Version 1.022Y 以上) |
1:CPU内蔵GPUの搭載有無は、CPU名称の末尾で判別できます。CPU名称の末尾がFのCPUはCPU内蔵GPU非搭載のため、使用できません。
(例) Core™i7-12700FはCPU内蔵GPU非搭載のため、使用できません。
2:256GBでカメラ1台、VGA、MJPEG、10fps、7日間の映像を記録できます。
3:お客様にて準備いただくソフトウェアです。パッケージには含まれません。
4:分析結果をMELSECへ出力する場合のみ必要です。
5:分析結果をMELSEC iQ-Rへ出力する場合のみ必要です。
性能仕様
| 分 類 | 項 目 | スペック |
|---|---|---|
| 映像 | フレームレート | 10~30fps |
| 画像圧縮方式 | H.264、JPEG(モーションJPEG) | |
| 映像分析 | 工程数 | 最大4工程 |
| 工程の作業パターン数 | 最大64パターン/工程 | |
| 1サイクル内の作業要素 | 2秒以上/作業要素 | |
| 1サイクル内の作業要素数 | 最大24要素/サイクル | |
| MELSEC出力 | 接続可能MELSEC | iQ-R、iQ-F、Q、FX、Lシリーズ |

スタンドアロン
Miranda Streama Liteの動作環境
プレイバック用パソコン
| 項目 | スペック |
|---|---|
| パソコン本体 | CPU:Core™ i7以上推奨、メモリ:8GB以上推奨 |
| ストレージ空き容量 | 20GB以上推奨 |
| 基本ソフトウェア | Windows11® Professional 64bit (日本語) |
| 必要な市販ソフトウェア | 三菱電機株式会社製 GX Works3 Version 1.022Y以上※1 |
1:iQ-RまたはiQ-Fに接続する場合のみ必要です。
プレイバック対象MELSEC
| 項目 | スペック |
|---|---|
| MELSECシリーズ | iQ-R、iQ-F、Q、FX、L |
| MELSEC接続方式 | USB、Ethernet |
| シミュレータ接続 | GX Works3シミュレータ、GX Works2シミュレータ |
Miranda Streama Proの動作環境
プレイバック用パソコン
| 項目 | スペック |
|---|---|
| パソコン本体 | CPU:Core™ i7以上推奨、メモリ:8GB以上推奨 |
| ストレージ空き容量 | 20GB以上推奨 |
| 基本ソフトウェア | Windows11® Professional 64bit (日本語) |
| 必要な市販ハードウェア | パソコン用インタフェースボード※1 (CC-Link IE Control、CC-Link IE Field、MELSECNET/H) |
1:何れか1つのパソコン用インタフェースボードが必要です。
プレイバック対象MELSEC
| 項目 | スペック |
|---|---|
| MELSECシリーズ | iQ-R、Q |
| MELSEC接続方式 | CC-Link IE TSN、CC-Link IE Control、CC-Link IE Field、MELSECNET/H、MELSECNET/10 |
性能仕様
| 項目 | Miranda Streama Lite | Miranda Streama Pro |
|---|---|---|
| 書込周期 | 5、10、20、50、100、200、500、1000ms※1 | 1、5、10、20、50、100、200、500、1000ms※1 |
| 書込点数 | 最大1,024点 | 最大32,768点 |
| 書込データファイル数 | 最大1,000件※2 | 同左 |
| データファイル仕様 | ファイル形式 :Miranda蓄積データ(バイナリファイル) Miranda CSVファイル 信号数 :最大1,024点 レコード数 :最大10,000行 |
ファイル形式 :同左 信号数 :最大32,768点 レコード数 :同左 |
1:プレイバック機能は指定した周期でプレイバックを行いますが、ネットワーク伝送、CPUユニットの処理状況などにより、CPU内の値変化が指定周期以上になる場合があります。
2:トリガー有りの場合、トリガー1000回分
トリガー無しの場合、10,000x1,000=10,000,000サンプリング。
収集周期100msの場合、約11.5日間のデータに相当。
価 格
| 製 品 | 分 類 | 型 番 | 価格(税別) | 備 考 |
|---|---|---|---|---|
| Miranda Lite | サーバ製品 | MCR-120A | ¥198,000 | |
| Miranda Lite追加ライセンス | MCR-120A(A) | ¥120,000 | MCR-120Aと同時に購入頂くライセンスです |
| 製 品 | 分 類 | 型 番 | 価格(税別) | 備 考 |
|---|---|---|---|---|
| Miranda Proセット | サーバ製品 | MCR-121A-SET | ¥2,000,000 | パソコン+パソコン用インタフェースボード込み |
| 製 品 | 分 類 | 型 番 | 価格(税別) | 備 考 |
|---|---|---|---|---|
| Miranda EX | システム製品 | MCR-122A | ¥1,650,000 |
| 製 品 | 分 類 | 型 番 | 価格(税別) | 備 考 |
|---|---|---|---|---|
| Miranda Client | クライアント製品 | MCR-123A | ¥198,000 | |
| Miranda Client追加ライセンス | MCR-123A(A) | ¥120,000 | MCR-123Aと同時に購入頂くライセンスです |
| 製 品 | 分 類 | 型 番 | 価格(税別) | 備 考 |
|---|---|---|---|---|
| Miranda Message Option | オプション製品 | MCR-128A | ¥50,000 |
| 製 品 | 分 類 | 型 番 | 価格(税別) | 備 考 |
|---|---|---|---|---|
| Miranda Video Option | オプション製品 | MCR-124A | ¥300,000 |
| 製 品 | 分 類 | 型 番 | 価格(税別) | 備 考 |
|---|---|---|---|---|
| Miranda DB Option | オプション製品 | MCR-125A | ¥500,000 |
| 製 品 | 分 類 | 型 番 | 価格(税別) | 備 考 |
|---|---|---|---|---|
| Miranda Cloud Option | オプション製品 | MCR-129A | ¥198,000※1 | |
| Miranda Cloud Service | クラウド製品 | ー | 無償 |
1:Microsoft Azureの契約はお客様で準備をお願いします。
Miranda Cloud Optionのセットアップのサポートが必要な場合はお問い合わせください。Microsoft Azureの運用コストは製品価格に含まれていません。以下を参考にしてください。
例) 収集周期100msで1024点を収集した場合、約\11,000/月 (2025/7時点)
| 製 品 | 分 類 | 型 番 | 価格(税別) | 備 考 |
|---|---|---|---|---|
| Miranda AI作業映像分析オプション | オプション製品 | MCR-126A | ¥600,000 |
| 製 品 | 分 類 | 型 番 | 価格(税別) | 備 考 |
|---|---|---|---|---|
| Miranda Streama Lite | スタンドアロン製品 | MCR-131A | ¥300,000 | |
| Miranda Streama Pro | スタンドアロン製品 | MCR-132A | ¥1,500,000 |
サブスクリプション
| 製 品 | 分 類 | 型 番 | 価格(税別) | 備 考 |
|---|---|---|---|---|
| Miranda AI作業映像分析セット | サブスクリプション | MCR-140A | ¥300,000/年 |

サポート
製品一覧
ご利用いただく前に
ライセンス認証
Miranda製品では、MESWLicenseManagerを用いてライセンス認証を行います。
ライセンス認証は、FA-license@mesw.co.jp のメールアドレスまでお願いします。
PC識別コード(パソコン固有の情報)を用いた認証

MESWLicenseManager
ライセンス認証までの流れ

年間サポート
体系
| 項 目 | 内 容 | 備 考 |
|---|---|---|
| サポート期間 | 1年間/3年間/5年間から選択 |
ご注文のご確認が取れた後にサポート開始です。 延長希望時は再度年間サポート契約を締結頂きます。 購入直後の無償期間の扱いはありません。 |
| 購入時期 | 対象製品購入後、随時受付 |
対象製品購入時である必要はありません。 年間サポート契約無の期間がある場合でも、遡りでの支払は不要です。 |
| 対象 | Mirandaのソフトウェア本体 |
ハードウェアはサポート対象外です。 ハードウェアの標準保証期間を延長される場合は、 |
| 対象製品 |
Miranda Lite Miranda Pro Miranda EX Miranda Client |
追加ライセンスで購入したライセンスについても、 |
| ライセンス | 購入製品1ライセンス毎に契約 |
内容
| 項 目 | 内 容 | 備 考 |
|---|---|---|
| 最新バージョンへの バージョンアップ |
製品1ライセンスのバージョンアップ サポート期間中のバージョンアップ回数の制限無し |
最新バージョンは製品ホームページからダウンロード 年間サポート未契約の場合、製品のバージョンアップはできません。 |
| テクニカルサポート |
TEL.またはメールでの技術支援 操作方法の支援(収集設定等) 収集/表示トラブル時の調査支援 |
[TEL]
受付部門:MESWトータルソリューション事業所 営業
受付時間:月~金曜日 9:00〜17:00
[メール] |
| 営業通知メール |
最新版リリースの案内
サポート期間開始のメール サポート期間終了間近の案内メール サポート期間終了の案内メール |
価格一覧
| 項 目 | 年数 | ライセンス数 | 型 番 | 価格(税別) |
|---|---|---|---|---|
| Miranda Lite 年間サポート | 1年間 | 1 | MCR-130A-L11 | ¥50,000 |
| 3年間 | 1 | MCR-130A-L31 | ¥120,000 | |
| 5年間 | 1 | MCR-130A-L51 | ¥150,000 | |
| Miranda Pro 年間サポート | 1年間 | 1 | MCR-130A-P11 | ¥150,000 |
| 3年間 | 1 | MCR-130A-P31 | ¥360,000 | |
| 5年間 | 1 | MCR-130A-P51 | ¥450,000 | |
| Miranda EX 年間サポート | 1年間 | 1 | MCR-130A-E11 | ¥150,000 |
| 3年間 | 1 | MCR-130A-E31 | ¥360,000 | |
| 5年間 | 1 | MCR-130A-E51 | ¥450,000 | |
| Miranda Client 年間サポート | 1年間 | 1 | MCR-130A-C11 | ¥50,000 |
| 3年間 | 1 | MCR-130A-C31 | ¥120,000 | |
| 5年間 | 1 | MCR-130A-C51 | ¥150,000 |
ダウンロード
カタログ・取扱説明書
カタログ
| 製品名 | 言語 | サイズ (MB) | 更新年月 | リンク |
|---|---|---|---|---|
|
日本語 | 14.5 | 2024年12月 | ダウンロード |
アップデートモジュール・試用版・設定ファイル
ご利用条件とご注意
本サービスは、下記利用条件と注意事項を熟読の上、ご了承いただける方だけご利用ください。
ご利用条件
- 本サービスは、当社製品をご使用中のお客様にご利用いただけます。
- ダウンロードされたファイルの改竄、転載、譲渡、販売は禁止します。
- ダウンロードされたファイルに利用条件などが添付されている場合は、その条件にも従ってください。
- ダウンロードされたファイルの使用者は当社からの文書による許可のない限り、ダウンロードされたファイルやそのファイルから抽出されるデータの日本国外への持ち出し、または日本国内の非居住者への開示もしくは提供することを禁止します。
- 本契約は、日本国法に基づき解釈されるものとします。 ダウンロードされたファイルは、日本国法を遵守してご利用ください。
ご注意
- 予告なしにダウンロードファイルの削除、内容の変更を行うことがあります。
- 本サービスで提供するファイルは、ZIP形式で圧縮を施しています。
- ダウンロードされるファイルサイズとダウンロードされたファイルサイズが完全一致していることを必ずご確認願います。
- ファイルサイズが不一致の場合は、ファイルを解凍しないで破棄してください。その後再度ダウンロードを行ってください。
安全上のご注意
ダウンロードされたファイルのご使用に際しては、対応するマニュアルをよくお読みいただくと共に、 安全に対して充分に注意を払って正しい取扱いをしていただくようお願いいたします。
同意いただけますとファイルをダウンロードできます。
アップデートモジュール
ご使用中の製品を、最新バージョンにアップデートできます。
アップデートモジュールを一括でダウンロードする場合は、一括ダウンロード よりダウンロードしてください。
分割してダウンロードする場合は、分割ダウンロード よりダウンロードしてください。分割してダウンロードしたファイルは、結合用バッチファイルを使用して結合します。
取扱説明書は、ダウンロードしたモジュールに含まれています。
| 製品名 | 言語 | サイズ (MB) | 更新年月 | リンク |
|---|---|---|---|---|
一括ダウンロード バージョン1.5.0.457 |
日本語 英語 |
2737 | 2025年10月 | ダウンロード |
分割ダウンロード バージョン1.5.0.457 |
日本語 英語 |
2737 | 2025年10月 |
一括ダウンロード バージョン1.5.0.458 |
日本語 英語 |
2732 | 2025年10月 | ダウンロード |
分割ダウンロード バージョン1.5.0.458 |
日本語 英語 |
2732 | 2025年10月 |
一括ダウンロード バージョン1.5.0.459 |
日本語 英語 |
2750 | 2025年10月 | ダウンロード |
分割ダウンロード バージョン1.5.0.459 |
日本語 英語 |
2750 | 2025年10月 |
一括ダウンロード バージョン1.5.0.455 |
日本語 英語 |
430 | 2025年9月 | ダウンロード |
分割ダウンロード バージョン1.5.0.455 |
日本語 英語 |
430 | 2025年9月 |
一括ダウンロード バージョン1.0.0.1 |
日本語 | 2343 | 2025年9月 | ダウンロード |
分割ダウンロード バージョン1.0.0.1 |
日本語 | 2343 | 2025年9月 |
Azure Cloud用Function 一括ダウンロード バージョン1.5.0.000 |
日本語 英語 |
72.0 | 2025年9月 | ダウンロード |
試用版
試用版には、使用期限の制限(インストール後30日間)を設けています。試用開始時期に合わせてインストールを行ってください。なお、製品版との機能的な差異はありません。
試用版を一括でダウンロードする場合は、一括ダウンロード よりダウンロードしてください。
分割してダウンロードする場合は、分割ダウンロード よりダウンロードしてください。分割してダウンロードしたファイルは、結合用バッチファイルを使用して結合します。
| 製品名 | 言語 | サイズ (MB) | 更新年月 | リンク |
|---|---|---|---|---|
一括ダウンロード バージョン1.5.0.457 |
日本語 英語 |
2737 | 2025年10月 | ダウンロード |
分割ダウンロード バージョン1.5.0.457 |
日本語 英語 |
2737 | 2025年10月 |
一括ダウンロード バージョン1.5.0.458 |
日本語 英語 |
2732 | 2025年10月 | ダウンロード |
分割ダウンロード バージョン1.5.0.458 |
日本語 英語 |
2732 | 2025年10月 |
一括ダウンロード バージョン1.5.0.459 |
日本語 英語 |
2750 | 2025年10月 | ダウンロード |
分割ダウンロード バージョン1.5.0.459 |
日本語 英語 |
2750 | 2025年10月 |
一括ダウンロード バージョン1.5.0.455 |
日本語 英語 |
430 | 2025年9月 | ダウンロード |
分割ダウンロード バージョン1.5.0.455 |
日本語 英語 |
430 | 2025年9月 |
一括ダウンロード バージョン1.0.0.1 |
日本語 | 2343 | 2025年9月 | ダウンロード |
分割ダウンロード バージョン1.0.0.1 |
日本語 | 2343 | 2025年9月 |
Azure Cloud用Function 一括ダウンロード バージョン1.5.0.000 |
日本語 英語 |
72.0 | 2025年9月 | ダウンロード |
設定ファイル
Miranda Cloud Serviceの構築に必要なファイルを、Mirandaの製品ホームページからダウンロードします。
| 製品名 | 言語 | サイズ (MB) | 更新年月 | リンク |
|---|---|---|---|---|
| MirandaCloudService_ARMTemplate.json※1 | 日本語 英語 |
0.005 | 2025年9月 | ダウンロード |
| MirandaCloudService_FunctionsZipDeploy.zip Miranda Cloud Service構築用※2 |
日本語 英語 |
72.3 | 2025年9月 | ダウンロード |
1:Azure に、以下のリソースを自動生成する ARM テンプレートファイルです。
2:Miranda 用関数アプリが含まれている zip ファイルです。
ファイルの結合方法
任意のフォルダに、分割ファイルFile1~10と結合用バッチファイルをダウンロードしてください。
- 結合用バッチファイルを右クリックします。
- 「名前の変更」を選択してください。
- 名称を「結合用バッチファイル.bat」に変更してください。
- 結合用バッチファイル.batをダブルクリックします。
- 結合用バッチファイルと同じフォルダに、圧縮ファイルが作成されます。
支援ツール
ご利用条件とご注意
本サービスは、下記利用条件と注意事項を熟読の上、ご了承いただける方だけご利用ください。
ご利用条件
- 本サービスは、当社製品をご使用中のお客様にご利用いただけます。
- ダウンロードされたファイルの改竄、転載、譲渡、販売は禁止します。
- ダウンロードされたファイルに利用条件などが添付されている場合は、その条件にも従ってください。
- ダウンロードされたファイルの使用者は当社からの文書による許可のない限り、ダウンロードされたファイルやそのファイルから抽出されるデータの日本国外への持ち出し、または日本国内の非居住者への開示もしくは提供することを禁止します。
- 本契約は、日本国法に基づき解釈されるものとします。 ダウンロードされたファイルは、日本国法を遵守してご利用ください。
ご注意
- 予告なしにダウンロードファイルの削除、内容の変更を行うことがあります。
- 本サービスで提供するファイルは、ZIP形式で圧縮を施しています。
- ダウンロードされるファイルサイズとダウンロードされたファイルサイズが完全一致していることを必ずご確認願います。
- ファイルサイズが不一致の場合は、ファイルを解凍しないで破棄してください。その後再度ダウンロードを行ってください。
安全上のご注意
ダウンロードされたファイルのご使用に際しては、対応するマニュアルをよくお読みいただくと共に、 安全に対して充分に注意を払って正しい取扱いをしていただくようお願いいたします。
同意いただけますとファイルをダウンロードできます。
支援ツール
支援ツールとは、Mirandaで蓄積したデータやアラームを活用してデータの解析を行うツール群です。
本ページより無償でダウンロードいただけます。
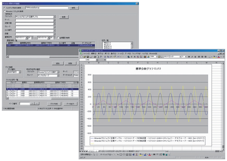
MirandaAnalyzer
Mirandaで蓄積したデータをMicrosoft® Excel®へエクスポートしてグラフ化します。
正常時と不良発生時の制御信号の比較等、詳細に制御信号を分析する用途に適しています。
動作環境
| 項目 | スペック |
|---|---|
| 基本ソフトウェア | Windows® 10 Professional (日本語版) |
| 必要な市販ソフトウェア※1 | Microsoft® Excel® 2019 (日本語版)※2 |
1:お客様にて準備いただくソフトウェアです。
2:Microsoft® Excel®の64ビットバージョンは使用できません。
基本ソフトウェアが64ビットバージョンの場合、Microsoft® Excel®の32ビットバージョンを使用してください。
ダウンロード
| 言語 | サイズ (MB) | 更新年月 | リンク | |
|---|---|---|---|---|
| MirandaAnalyzer バージョン1.3 |
日本語 | 0.99 | 2022年8月 | ダウンロード |
アラーム日報
Mirandaで検出したアラームを指定日付で集計し、Microsoft® Excel®へ出力します。
アラームメッセージ毎に、アラームの発生回数を集計することもできます。
アラーム発生時間や発生回数の集計に適しています。
動作環境
| 項目 | スペック |
|---|---|
| 基本ソフトウェア | Windows® 10 Professional(日本語版) |
| 必要な市販ソフトウェア※1 | Microsoft® Excel® 2019 (日本語版)※2 |
1:お客様にて準備いただくソフトウェアです。
2:Microsoft® Excel®の64ビットバージョンは使用できません。
基本ソフトウェアが64ビットバージョンの場合、Microsoft® Excel®の32ビットバージョンを使用してください。
ダウンロード
| 言語 | サイズ (MB) | 更新年月 | リンク | |
|---|---|---|---|---|
| アラーム日報 バージョン1.2 | 日本語 | 0.11 | 2022年8月 | ダウンロード |
Mirandaについてのお問い合わせ
お気軽にお問い合わせ・ご相談ください
社会インフラ事業統括部
トータルソリューション事業所 営業部
03-5718-3350
ml_mirandamesw.co.jp
受付時間:9時~17時(土日祝祭日および当社休業日を除く)
上のボタンを押すと問い合わせフォームが立ち上がります。ご利用ください。




